اشتراک گذاری




موتور پلهای سروو پالسی WALFRONT با انکودر 1.5 نیوتنمتر، کنترلر حرکت حلقه بسته 0-3000 دور در دقیقه برای پرینتر سه بعدی و ابزارهای CNC
- برند :سایر برند ها

ارسال تا 7 روز کاری(پس از دریافت در کشور مبدا)

اصالت کالا(100% ارجینال)

پشتیبانی 24 ساعته(7 روز هفته به صورت 24 ساعته)
در حال بروزرسانی قیمت
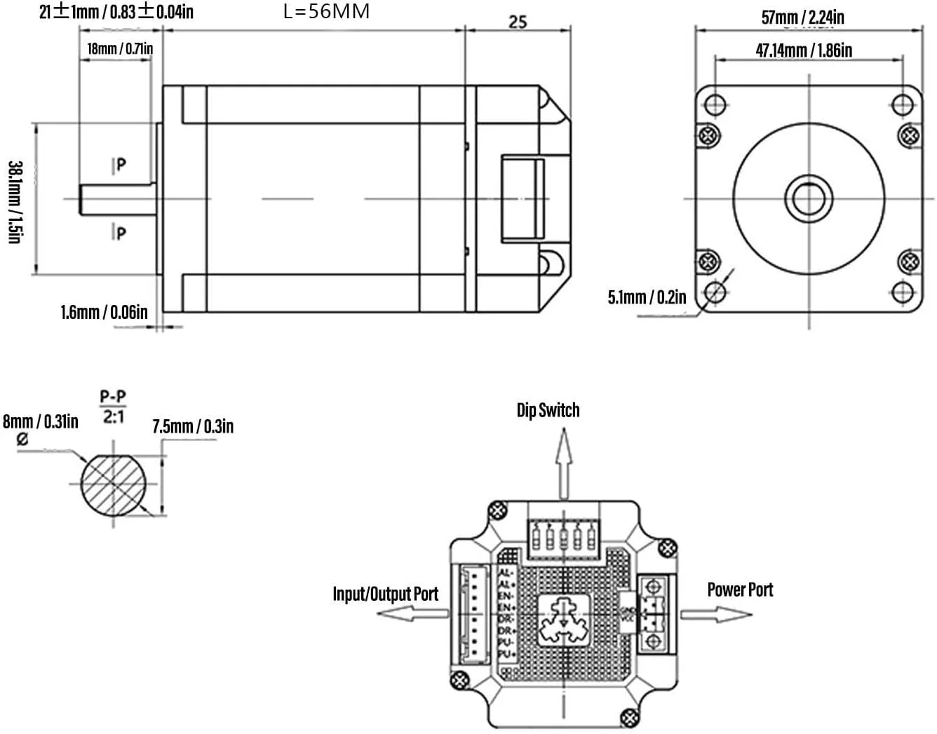
مشخصات: نوع مورد: موتور سروو جنس: ABS، آلیاژ آلومینیوم انکودر: 1000 خطی مغناطیسی داخلی سرعت موتور: 0-3000 دور در دقیقه (هرچه سرعت بیشتر باشد، میرایی پیچش بیشتر است. توصیه می شود از 0-1000 دور در دقیقه استفاده شود) جریان خروجی: حداکثر 6.0 آمپر (جریان با بار متفاوت است) جریان ورودی منطقی: 7-16 میلی آمپر، توصیه می شود 10 میلی آمپر فرکانس پالس: 0-200 کیلوهرتز تعداد خطوط انکودر: 1000 مقدار مقاومت عایق: ≥500MΩ زاویه پله: 1.8 درجه جریان: 4.2 آمپر مقدار مقاومت (2+10%): 0.4 اندوکتانس: 1.2mH+20% پیچش استاتیک: 1.2 نیوتن متر (حداکثر 1.5 نیوتن متر) طول موتور: تقریبا. 56 میلی متر / 2.2 اینچ لیست بسته: 1 عدد موتور سروو 2 عدد ترمینال توجه: خطای جزئی در اندازه وجود دارد.
واتساپ