اشتراک گذاری




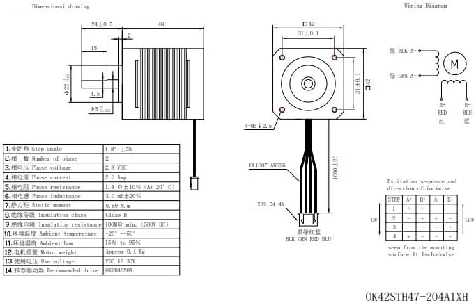
موتور پله ای 17 SUOFEILAIMU، یک عدد، برای پرینتر سه بعدی، 2 آمپر، 0.59 نیوتن متر، لوازم جانبی پرینتر، 42x48 میلی متر، موتور پله ای 4 سیم
- برند :سایر برند ها

ارسال تا 7 روز کاری(پس از دریافت در کشور مبدا)

اصالت کالا(100% ارجینال)

پشتیبانی 24 ساعته(7 روز هفته به صورت 24 ساعته)
۶٬۸۱۶٬۰۰۷تومان
آمازون آمریکا|بروزرسانی: ۱۴۰۴/۱۰/۴
شماره مدل: موتور پله ای 42 Nema17، 59Ncm (84oz.in). اندازه: 42x48 میلی متر، 2 آمپر، 4 سیم. ویژگی ها: عملکرد بالا و نویز کم
واتساپ