اشتراک گذاری



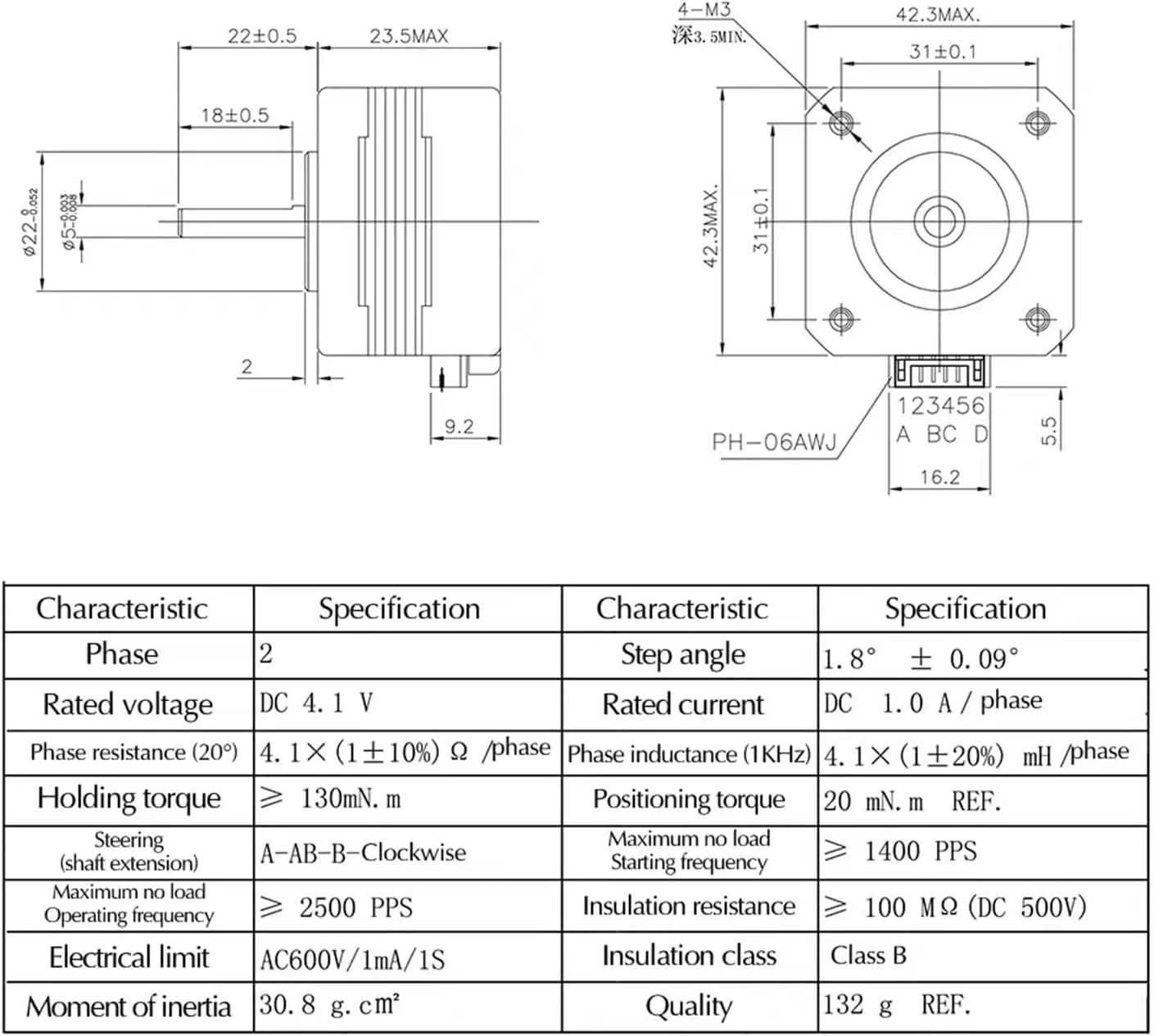
موتور پله ای DEBLAN Nema17 17HS4023 موتور پله ای برای اکسترودر موتور 42 1.0A موتور پرینتر سه بعدی
- برند :سایر برند ها

ارسال تا 7 روز کاری(پس از دریافت در کشور مبدا)

اصالت کالا(100% ارجینال)

پشتیبانی 24 ساعته(7 روز هفته به صورت 24 ساعته)
در حال بروزرسانی قیمت
لطفاً خطای 1-2 میلیمتری را به دلیل اندازهگیری دستی در نظر بگیرید و قبل از سفارش مطمئن شوید که مشکلی ندارید. لطفاً درک کنید که ممکن است به دلیل قرارگیری متفاوت تصاویر، انحراف رنگی وجود داشته باشد.
واتساپ