اشتراک گذاری




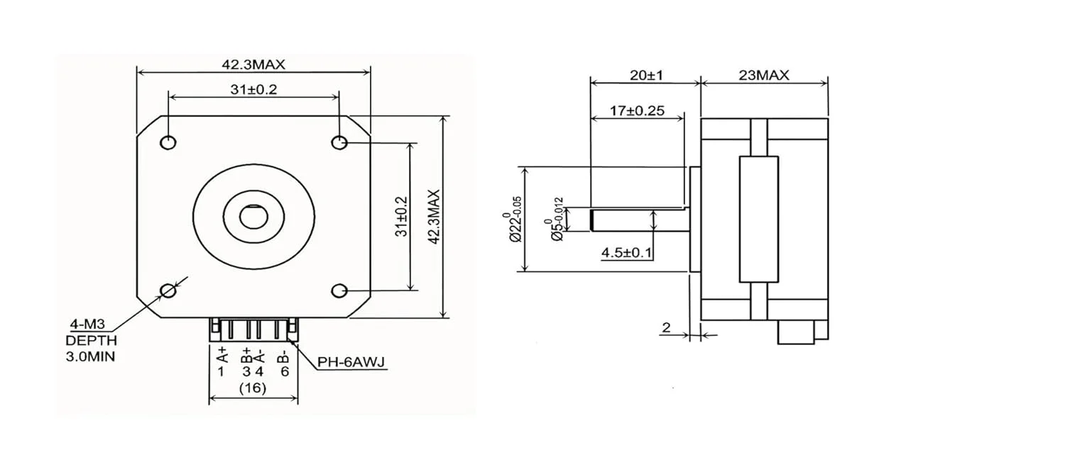
موتور پله ای سایز 17، 17Ncm، 42x23mm، موتور دو فاز 1 آمپر برای پرینتر سه بعدی و CNC
- برند :سایر برند ها

ارسال تا 7 روز کاری(پس از دریافت در کشور مبدا)

اصالت کالا(100% ارجینال)

پشتیبانی 24 ساعته(7 روز هفته به صورت 24 ساعته)
در حال بروزرسانی قیمت
طول کابل: 1 متر، جریان / فاز: 1 آمپر، گشتاور نگهدارنده: 17Ncm، زاویه پله (درجه): 1.8 درجه، فاز: 2، شماره مدل: 17HE08-1004S، اندازه: 42*42*23mm، قطر شفت: 5mm
واتساپ