اشتراک گذاری





ارسال تا 7 روز کاری(پس از دریافت در کشور مبدا)
اصالت کالا(100% ارجینال)
پشتیبانی 24 ساعته(7 روز هفته به صورت 24 ساعته)
۱٬۹۷۴٬۲۵۹تومان
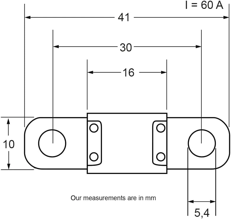
راه حلی برای نصب در کاربردهای خودرویی و صنعتی. ساخته شده از مواد با کیفیت بالا، بادوام و ماندگار است. مشخصات فنی: I3: 41mm, I4: 10mm, x: 30mm, D1: 5.4mm, L: 16mm. مطابق با سازنده: Renault: 8200552466, PSA replacement parts: 6500FW, PSA spare parts: 6500GX, PSA spare parts: 6500X6, PSA spare parts: 9665408180, VW: N10525503, Fiat: 10404040 90, FORD: 2. S6T1444A094DA, FORD Replacement Parts: 1148214, Vauxhall Catalogue: 6235737