اشتراک گذاری





ارسال تا 7 روز کاری(پس از دریافت در کشور مبدا)
اصالت کالا(100% ارجینال)
پشتیبانی 24 ساعته(7 روز هفته به صورت 24 ساعته)
در حال بروزرسانی قیمت
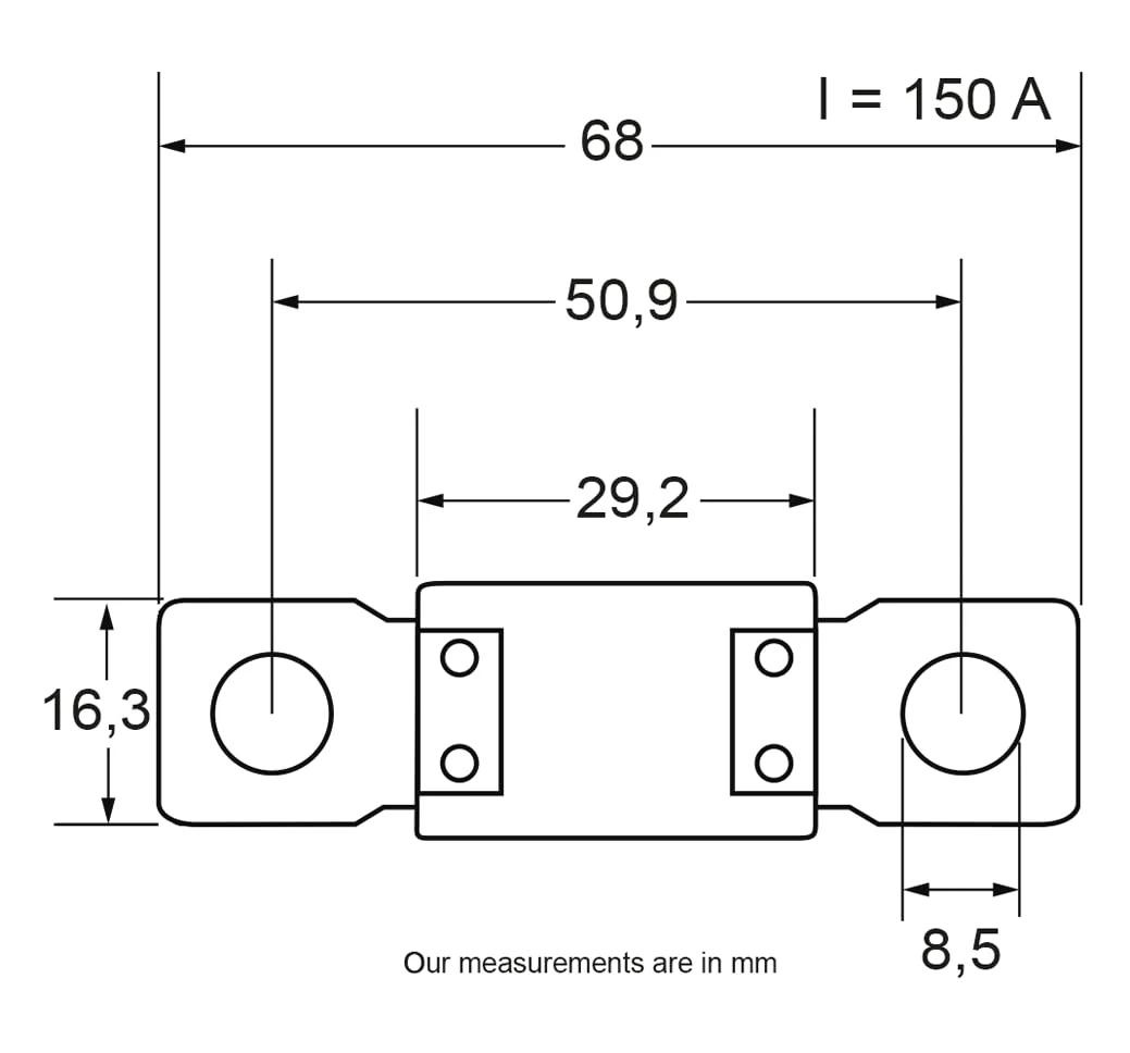
راه حلی برای نصب در کاربردهای خودرویی و صنعتی. ساخته شده از مواد با کیفیت بالا، بادوام و ماندگار است. مشخصات فنی: I3: 68mm, I4: 16.3mm, x: 50.9mm, D1: 8.5mm, L: 29.2mm. مطابق با سازنده: Renault: 8200046219, PSA spare parts: 6500R9, PSA spare parts: 6500X4, Audi: N10525603, VW: N10525603, Fiat: 11056390, Nissan: 0894100QA; 3, FORD: CU5T. 14A09114AA, Ford replacement parts: 2320114, Vauxhall catalogue: 4409919