اشتراک گذاری






HiLetgo 5 عدد ماژول آداپتور کارت Micro SD TF، ماژول درایور رابط SPI 6 پین با تبدیل سطح تراشه برای Arduino UNO R3 MEGA 2560 Due
- برند :سایر برند ها
- منبع :آمازون آمریکا

ارسال تا 7 روز کاری(پس از دریافت در کشور مبدا)

اصالت کالا(100% ارجینال)

پشتیبانی 24 ساعته(7 روز هفته به صورت 24 ساعته)
⚠️ این قیمت قدیمی بوده و در صورت تغییر قابل توجه در سایت مبدا مابه التفاوت از شما دریافت می شود
۱٬۵۶۲٬۹۵۷تومان
بروزرسانی: ۱۴۰۴/۹/۱
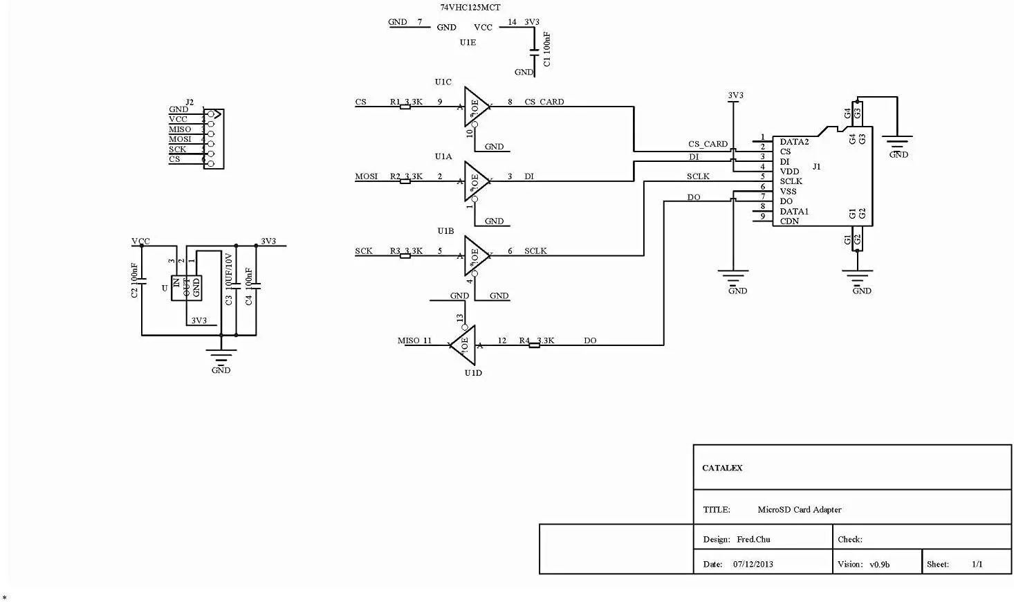
این ماژول یک ماژول کارت خوان Micro SD برای خواندن و نوشتن از طریق سیستم فایل و درایور رابط SPI است.
رابط کنترل: در مجموع شش پین (GND، VCC، MISO، MOSI، SCK، CS)، GND به زمین،
VCC منبع تغذیه است، MISO، MOSI، SCK برای گذرگاه SPI، CS پین سیگنال انتخاب تراشه است.
مدار تنظیم کننده 3.3 ولت: خروجی تنظیم کننده LDO 3.3 ولت برای تراشه تبدیل سطح، منبع تغذیه کارت Micro SD؛
مدار تبدیل سطح: کارت Micro SD برای سیگنال جهت تبدیل 3.3 ولت، رابط کارت MicroSD برای کنترل جهت سیگنال MISO نیز به 3.3 ولت تبدیل می شود، سیستم های میکروکنترلر AVR عمومی می توانند سیگنال را بخوانند.
اتصال دهنده کارت Micro SD: عرشه بمب خودکار، درج آسان کارت.
سوراخ های موقعیت یابی: 4 سوراخ موقعیت یابی پیچ M2 با قطر 2.2 میلی متر، بنابراین نصب ماژول آسان است، برای دستیابی به ترکیب بین ماژول.
5 * ماژول آداپتور کارت Micro SD TF
واتساپ