اشتراک گذاری










سیستم کنترلر CNC آفلاین CNCTOPBAOS مدل DDCS Expert با 5 محور، درایور موتور پله ای مستقل، کنترل حرکت 1000 کیلوهرتز PLC + هندویل MPG با 5 محور و دکمه توقف اضطراری برای دستگاه فرز و حکاکی CNC
- برند :سایر برند ها
- منبع :آمازون امارات
ارسال تا 7 روز کاری(پس از دریافت در کشور مبدا)
اصالت کالا(100% ارجینال)
پشتیبانی 24 ساعته(7 روز هفته به صورت 24 ساعته)
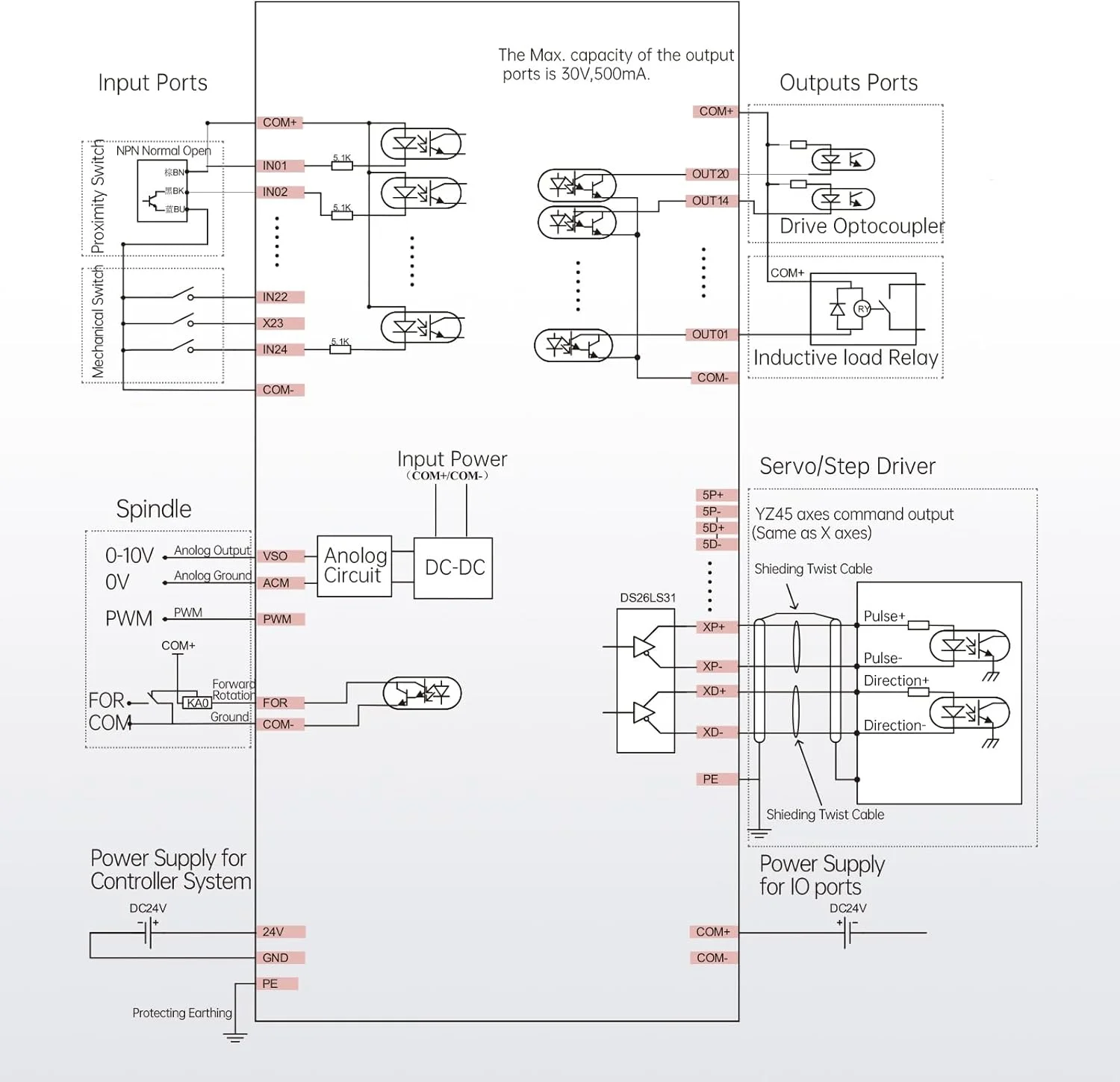
محتویات بسته: 1 عدد کنترلر CNC آفلاین DDCS Expert با 5 محور، 1 عدد هندویل MPG با 5 محور و دکمه توقف اضطراری، 1 عدد دیسک U با ظرفیت 4 گیگابایت، 1 عدد کابل. حالت عملکرد: عملکرد اصلی سیستم دستگاه حکاکی؛ اندازه صفحه نمایش: 7 / 10.2 اینچ؛ رزولوشن صفحه نمایش: 1024 * 600؛ نوع خشاب ابزار: چند فرآیندی، ردیف مستقیم، دیسکی؛ حالت تنظیم ابزار: پشتیبانی از تنظیم ابزار به صورت خودکار و دستی؛ نوع تنظیم ابزار: تنظیم ابزار ثابت، تنظیم ابزار شناور، تنظیم ابزار اول / تنظیم ابزار دوم؛ روش های جبران سازی: جبران سازی گپ جهت، جبران سازی شعاع، جبران سازی طول؛ الگوریتم درونیابی: نوع S، الگوریتم سخت قوس، الگوریتم نرم قوس؛ زبان: پشتیبانی از چینی و انگلیسی؛ آلارم نرم افزار CNC: خطای برنامه، خطای عملیات، خطای تجاوز از حد، آلارم درایو سروو و غیره. شبکه: پشتیبانی از اشتراک فایل و پردازش آنلاین فایل از راه دور؛ خروجی کلکتور باز، حداکثر جریان خروجی 500 میلی آمپر، می تواند مستقیماً رله را هدایت کند. جهت پالس از خروجی دیفرانسیل استفاده می کند، حداکثر فرکانس خروجی پالس درونیابی 1 مگاهرتز است. حالت کنترل اسپیندل: سرعت چند مرحله ای (4 مرحله و 16 سرعت)، آنالوگ (0-10 ولت)، اسپیندل سروو؛ سازگار با کدهای G استاندارد. پشتیبانی از نرم افزارهای CAD / CAM اصلی مانند ArtCam، MasterCam، ProE و غیره. کاربران می توانند از طریق دیسک U با فایل های خارجی تعامل داشته باشند و به صورت آفلاین کار کنند. پیش تصفیه چند مرحله ای، کنترل پیشروی سرعت تطبیقی مسیر پردازش، سرعت پردازش سریع، دقت بالا و تداوم پردازش خوب. پردازش مداوم با سرعت بالا از قطعات خطی کوچک، به طور خودکار کارآمدترین الگوریتم را در بین انواع الگوریتم های کنترل قطعه خطی کوچک انتخاب کنید. پشتیبانی از پردازش فایل با ظرفیت فوق العاده بزرگ؛ با حافظه نقطه شکست، عملکرد حفاظت خودکار در صورت قطع برق، عملکرد پردازش نزدیک به نقطه و پردازش خط تعیین شده؛ پشتیبانی از عملکرد قفل زمان.