اشتراک گذاری




ارسال تا 7 روز کاری(پس از دریافت در کشور مبدا)
اصالت کالا(100% ارجینال)
پشتیبانی 24 ساعته(7 روز هفته به صورت 24 ساعته)
۱۳٬۵۳۲٬۸۰۵تومان
بلوک های فیوز دریایی و محافظت شده در برابر اشتعال، فیوزهای MRBF با آمپراژ بالا را در خود جای می دهند. مناسب برای محافظت از مدارهای اصلی DC، اینورتر، وینچ و تراستر کمانی. روی یک پست باتری 3/8 اینچی، سوئیچ باتری یا شینه نصب می شود و امکان نصب آسان در محدودیت های فضایی تنگ را فراهم می کند و قانون حفاظت از مدار 7 اینچی ABYC را برآورده می کند. شامل درپوش عایق برای جلوگیری از اتصال کوتاه تصادفی.
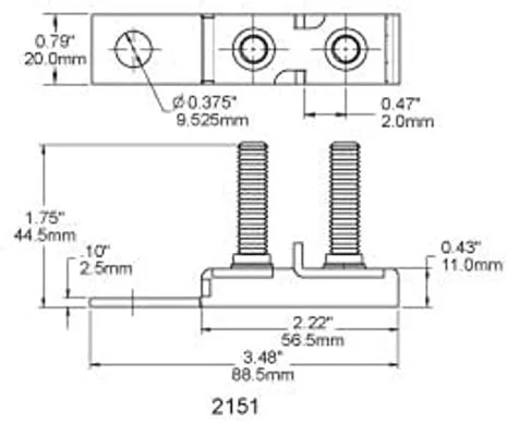
بلوک های فیوز نصب سطحی، سه فیوز MRBF را برای حفاظت یکپارچه از مدار با آمپراژ بالا در خود جای می دهند. از فولاد ضد زنگ دریایی و پلاستیک های تثبیت شده در برابر اشعه ماوراء بنفش استفاده می کند و در برابر اشتعال محافظت می شود. بلوک فیوز منبع مستقل (شماره قطعه 5194) برای شارژرهای باتری 3 خروجی ایده آل است. بلوک فیوز منبع مشترک (شماره قطعه 5196) 3 بار را از یک منبع واحد تامین می کند. پوشش گیره ای اتصالات ترمینال را عایق می کند و شامل فرورفتگی های برچسب برای شناسایی آسان مدار است.