اشتراک گذاری



ارسال تا 7 روز کاری(پس از دریافت در کشور مبدا)
اصالت کالا(100% ارجینال)
پشتیبانی 24 ساعته(7 روز هفته به صورت 24 ساعته)
در حال بروزرسانی قیمت
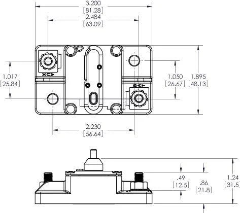
محافظت از مدار و سوئیچ در یک قطع کننده مدار با قدرت متوسط ترکیب شده است. این قطع کننده های مدار با قدرت متوسط که روی سطح نصب می شوند، برای کاربردهای لنگر بادی و وینچ برقی ایده آل هستند و به عنوان یک سوئیچ عمل می کنند، اما محافظت از مدار را نیز ارائه می دهند. یک اهرم قابل مشاهده نشان می دهد که چه زمانی قطع کننده مدار قطع شده است و در صورت تشخیص خطا نمی توان آن را در موقعیت روشن نگه داشت. محافظت شده در برابر احتراق و مقاوم در برابر آب، می توان آنها را تقریباً در هر مکانی نصب کرد. از جمله موتورخانه قایق های بنزینی. درپوش های ترمینال متصل از ترمینال ها در برابر تماس تصادفی محافظت می کنند و به جلوگیری از اتصال کوتاه جریان متقاطع کمک می کنند. گل میخ های ترمینال برای نصب آسان روی صفحه قطع کننده مدار قرار دارند.